Logg inn
Handlekurv
0
0
Deler
Vis alle
Belysning
Vis alle
Baklampe
Baklysglass
Bakskjerm lampe
Blink lys modul
Blink Lys/Glass
Vis alle
Motstand til led blinklys
Blinklys
Blinklys glass med visir
div
Feste brakett til lamper
Frontlys
Vis alle
Front lykter
frontlys innsats
Lykte ring
Kellermann
Lys forskjerm
Pærer
Vis alle
Baklys Pærer
Blinklys Pærer
Halogen pære
instrument pærer
Led pære
Skilt lys
Skruer til skiltplate
Vis alle
Skilt brakett
Bremser
Vis alle
Bak brems pedal
Banjo
Bremse/service deler
Vis alle
Pakninger
Bremsecaliper
Bremseklosser/Bånd
Bremseskive
Vis alle
Bolter bremseskive
Spacer til bremseskive
Bremseslange/Wire
Bremshendel holder
Kobber / Alupakning
T Stykker
Bøker
DEKK / FELG
Vis alle
Bakfelg
DEKK BAK
Vis alle
15"
16"
17"
18"
DEKK FORAN
Vis alle
16"
17"
18"
19"
21"
23"
Felg
Vis alle
Eike lodd
Vis alle
Eiker
Felg ring
Felgbånd
Felgvekter
Framfelg
Hjul nav front
Vis alle
bolt
Slanger
Vis alle
18"
Slange 15-16"
Slange 17"
Slange 19"
Slange 21"
Ventil
Eksosanlegg
Vis alle
Div Deler
Eksospakninger
Vis alle
SUPERTRAPP,
Vis alle
Eksos plater
Endelokk supertrapp
VANCE & HINES
Elektrisk
Vis alle
AXEL JOOST ELEKTRONIK
Batteri
Vis alle
Batteri kabel
Batteri Kasse/Deksler +
Batterilader
Brytere/Følere
Vis alle
Bremselysbryter
Bryter Styre
Nøytral bryter gear
Coil
Vis alle
Coil brakett
HORN
Vis alle
Horn cover
Hånd starter
Lading
Vis alle
Dynamo
Vis alle
Pakning
Regulator
Regulator Braket
Skrue sett
Stator
Vis alle
Magnet lokk stator
monterings kit
SpacerAltenator
Ledninger
Motogadget
Multilock plug
Oljetrykk Føler
Pluggkabler
Vis alle
Tilbehør pluggkabler
Radio/gps
Reflex
Sikringer/Rele
Start Motor Pakninger
Startmotor
Vis alle
Deler Startmotor
Tenning
Vis alle
Crank sensor
Vis alle
IGNITION ROTOR
Magnet
Skrue kit
Stift Tenning
Tennings Deksler
Tennings modul
Tennings sensor
Tennings lås
Tennplugger
Fairing / Vindskjerm
Fester. Fastners
Forgasser / Innsug
Vis alle
CV. KEIHIN & BUTTERFLY
Vis alle
Innsug
Adapter innsug
Bendix
CHOKE CABLE
Dyser
Vis alle
CV
Vis alle
Lavfrat
Main Jet
Mikuni
Nål (Mid-Range)
S&S
Vis alle
Hoveddyse
Lavfarts Dyse
VELOCITY EMULSION TUBE
EFI
Vis alle
DYSER
Innsugspakninger
Kalibrering av innsprøyting
Linkert
Luftfilter
Vis alle
BREATHER TUBE
Luftfilter brakett
Luftfilter deksel
Luftfilter kit
Regn trekk luftfilter
Skruer
MIKUNI
Pakning Luftfilter
S&S
Åndeslange/Banjo
Fothvilere og Fotkontroller
Vis alle
Div. deler
forward control extension kit.
Fotbrett
Gummi pad til fotbrett
Gaffel+Front+Støtdempere
Vis alle
Fjærer til gaffel
Gaffel fjærer kit
Gummi/stål belg til gaffel
Hjul aksel
Vis alle
hjul aksel cover
Hjullager+++
Vis alle
1"
25mm
3/4"
Innerbein
Klemme til bremseslange/blinklys
Rep Deler Gaffel
Senke sett
Spacer til hjulakslinger
Vis alle
1" Aksel
3/4 Aksel
Styre krone
Styrelager +
Støtdempere
Vis alle
Div bolter
Div. deler støtdemper
Foringer
luft påfyller til støtdemper
Støvmansjetter/Deksel
Ventilhetter
Vindskjerm
Gear+Drivlinje
Vis alle
Transmission top cover parts
Bakdrev / Pully
Vis alle
Spacer
Belt
Vis alle
Belt kit
Clutch
Vis alle
Clutch Fjærer
Clutch hub
Deler clutch
Lameller/Plater
Drev front
Gear Kasse
Vis alle
Bolter Gear Kasse
Bunn pakning gear kasse
Deler til gear kasse
Shifter arm
KICK KIT
Vis alle
Deler
Pedal
retur fjær
Kjede
Vis alle
Kjede deksel
kjede lås
Primær
Vis alle
Derby / Inspeksjonsdeksel
Vis alle
Derby pakning
Div. deler
Lager/ Simmering innerprimær
Primær kjede
Skrue Sett
Tappe plugg primær
Ytre primær deksel
Vis alle
Indre primær deksel
Pully / Drev
Shifter stag
Simmering
Tappe plugg gear kasse
Japansk / Europeisk
Vis alle
Batteri
Bensinpumpe
Bremseklosser
Clutch kabel Yamaha
Fjører
Hjul lager kit
Kjede/drev
Vis alle
Bak drev
Front drev
Luftfilter
Motorolje
Oljefilter
Vis alle
HIFLOFILTRO
Oljefilter brakett
pakninger
Pakninger Motor
Regulator
Rep sett bremser
rep sett gaffel
Start motor
stator
Styrelager
Suzuki
Vis alle
Bremse hendel
Luftfilter
Oljefilter
sving arm kit
Tennplugger
Vindskjerm
Åndefilter
Låse splint
Motordeler
Vis alle
Pinion shaft bearings
Blokk S&S
Deler Topp
Vis alle
Pinne Bolter
Styringer
Ventiler
Kammer og Lager
Vis alle
hydraulic cam chain tensioner
99-06 TC
Cam lager
Kamdeksel
Kammer
Shims/Foring/Lager
simmering
Løftere & Støtstenger
Vis alle
cover støtstenger
Løftere / Tappets
Motordeler
Oljepumpe/Breather
Vis alle
Breather
Breather TC
Deler
Oljepumpe
Shims
Pakning tappet block
PUSHROD COVER
Rocker Box
Vis alle
Top nut kit
Råder og Veiv
Vis alle
Bærelager
Pinion Aksel
Råder
S&S cylinder
Simmer ring
Støtstenger
Sylinder og Stempel
Vis alle
Stempler / Stempelringer
Tappet Block kit
Olje og smøre produkter
Vis alle
2- Takts olje
Bremseveske
Gaffel Olje
Gear olje
Motor Olje
Primær-Gear
Vis alle
Primær
Oljefilter
Vis alle
Filter Veivhus
OLJE FILTER KIT
Oljefilter
Pakninger
Vis alle
Cam Deksel
Dearbydeksel
Gear
Inspeksjons deksel pakning
Motor
Vis alle
Pakninger topp
Pakninger Topp TC
skrue kit
Sylinder fot og topp pakninger
O Ringer
Point covers gaskets
Primær Pakninger
Start Motor Pakninger/Simmeringer
Tappet block pakning
Ramme/Shassis
Vis alle
Crash Bar
Fester til ramme
Fram flytter sett
Motorfester
Støtte++++++
SVINGARM +++
Seter og Bagasjebrett
Vis alle
Bagasjebrett
Sete fjær
Sete/sal
Setefester +++
Sissy bar
Vis alle
sissy bar fester
Skjermer++++++
Vis alle
Bak skjerm
Fram skjerm
Monterings sett
Speedo/Turteller/Dach
Vis alle
Dach
Vis alle
Div
lys til dach
Fester/Klemmer
Speedometer
Vis alle
Speedometer motogadget
Speedometer kabel
Speedometer sensorer
Vis alle
Deksel speedometer sensor
Speil, Styrer, Kabler
Vis alle
Brytere/Bryter hus
Clutch wire
cruise kontroll
Div. deler
Gass wire
Vis alle
Retur gass
throttle (pull)
Gasswire hus + Sleeve
Hendler/Håndkontroller
Vis alle
Bremsepumper
Deler hydraulic clutch
Innvendig gass/clutch
Holker
Vis alle
Varmeholker
Klokke
Risere +++++++
Skrue sett
Speil
Styrer
temperatur måler
Tanker, Deler ++++
Vis alle
FUEL CHECK VALVE
Bensin kanne
Vis alle
Veske til bensinkanne
Bensin pumpe
Bensin regulator
Bensinfilter
Bensinfilter tank
Bensinkraner
Bensinslanger
Bensintank
Beskyttelse til tank
Braketter bensintank
Div.deler
Fuel LINE EFI
Helle tut bensinkanne
Monteringsett tank
O-ring / Pakninger
oljefilter brakett/hus
Oljetanker
Vis alle
Brakett til oljetank
Div.deler
Gummi fester tank/olje
Klemme til oljeslange
Kobberskive
Peilepinne
Vis alle
Peilepinne med olje temp.
Slange
Tappe plugg oljetank
Oljetrykksmåler/Fitting
Servicepakker
Tanklokk
TOOLS (Verktøy)
Vis alle
Varmeskjold
Verkstedmateriell
Vis alle
HEAD PLUGS 5/16"
Bits
Bolter
Vis alle
6 Kant
Vis alle
1/2
1/4
3/8
5/16
7/16
Torx
Vis alle
1/4
5/16
8/32
Umbraco
Vis alle
1/4
10/24
10/32
3/8
5/16
6/32
6/32x1/4
6/32X3/8
7/16
8/32
Mutter
Vis alle
10/32
3/8
5/16
Låsemutter
Vis alle
1/2
5/16
NUTS USA SIZES
Oljetappefat
Skiver
Slangeklemmer
Strips
Personlig utstyr
Vis alle
Briller
Hals/Bøff/Skjerf
Hansker
Hjelmer
Vis alle
Barne hjelmer
Halvhjelm
Helhjelm
Tilbehør
Visir
Vis alle
Pinlock
Intercom
Jakke tilbehør
Vis alle
Vindstopper inner jakke
Kjørebukse
Vis alle
Dyneema
Kevlar
Vis alle
Dame
Herre
Tekstil
Vis alle
Dame
Herre
Kjørejakke
Vis alle
Dyneema
Kevlar og Cordura
Skinn Jakker
Vis alle
Dame
Herre
Tekstil
Vis alle
Dame
Herre
Kjøresko/støvel
Vis alle
Beskyttelse til sko/støvel
Dame
Herre
Maske
Regntøy
Vis alle
Regn bukse
Regn jakke
Regn sko overtrekk
regntrekk hanske
To delt regn dress
Ryggskinne
Vis alle
Nyre belte
Sikkerhet/Beskyttelse
Vask/Pleiemidler
Vest
Vest lenke
Øreplugger
MC Tilbehør
Vis alle
Bagger og Vesker
Vis alle
Bagasje brett
Tur Utstyr
Hjelm/bagasje lås
Lås sett til kofferter
Monterings sett vesker
Streetwear
Vis alle
Arbeids jakke
BABY/KIDS
Bandana
Belter/Bukseseler
Biker jewelry
Bøtte hatt
Genser
Hodeplagg
Vis alle
Balaclava
Caps
Lue / Beanie
Hoodie
Vis alle
ZIP HOODIE
Jakke
Shorts
Sokker
T Skjorter
Vis alle
13 1/2
Baniched
Dickies
Vis alle
Dame
Herre
Skjorte
Fleinsopp
Vis alle
Dame
Herre
KING KEROSIN
Longsleeve
Lucky 13
QUEEN KEROSIN
ROEG
WCC
Undertøy
Ting og Tang
Våre merker
BADLANDS
CHRIS PRODUCTS
COMPUFIRE
CTEK
DAYTONA
GOLAN PRODUCTS
K&N
LE PERA
LEDRIE
LETHAL THREAT
LONGRIDE
LOSER MACHINE
MOTOGIRL
ODI
PANTHER
PAUGHCO
SAMWEL
STREETHOGS
TEXAS LEATHER
WAI GLOBAL
WANNABE CHOPPERS
WILD1
Cycle Electric
SPEAKER
13-1/2
ACCEL
ACCOSSATO
ACCUTRONIX
ACEBIKES
AEROSOL
AFAM
AKRAPOVIC
ALL BALLS
ALLOY ART
ALPINE
ALPINESTARS
ALTMANN
ALTO
AMERICAN SOCKS
AMIGAZ
ANDREWS
ARLEN NESS
ARMY SURPLUS
ATHENA
AUTOLITE
AUTOSOL
AVON
AXEL JOOST
BABY BOLT
BANISHED
BARNETT
BASSANI XHAUST
BDL
Beechfield
BEELINE MOTO
BEL-RAY
BELT DRIVES LTD.
BENDER CYCLE
BERING
Bike-Lift
BILTWELL
BITUBO S.R.L.
BK
BLUE STREAK
BMC
BOBBER
BOBBY BOLT
BOBSTER
BONDHUS
BRAKING
BREMBO
BRIDGESTONE
BRIGDESTONE
BS BATTERY
BULLFIGTHER
BULLSTER
BURLY BRAND
BY CITY
CARHARTT
Centauro
CHAMPION
CLEVITE
CLYMER
COBRA
COHLINE
COLONY
COMETIC
COMETIC GASKET
CONTINENTAL
CPV
CRAMPBUSTERS
CRUZTOOLS
CULT-WERK
CUSTOM CHROM
CUSTOM DYNAMICS
CVP
CYCLE VISIONS
DAKOTA DIGITAL
DANABORG
DAYTONA JAPAN
DENSO
DIAMOND
DICKIES
DIPPERT
DK Custom
DP BRAKES
DRAG SPECIALTIES
DUNLOP
DYNATEK
DYNOCAT
DYNOJET
EASTERN PARTS
EBC
EIKO
EK CHAIN
ELEKTRONIKBOX
EMGO
EUROL
EUROPEAN CLASSIC
EVEL KNIEVEL
EVOLUTION INDUSTRIES
FALCO
FALCON
FEHLING CRC
FERODO
FEULING
FEULING 1
FLEINSOPP
FUEL-TOOL
FUELFRIEND
GALFER
GARDNER-WESTCOTT
GAS MONKEYS GARAGE
GATES
GEORGE'S GARAGE.
GOODRIDGE
HARLEY DAVIDSON
HASTINGS
HAYNES
HEIDENAU
HEINZ BIKES
HELLA
HELLY
HENLYBEGINS
HIFLOFILTRO
HIGHSIDER
HOLY FREEDOM
HOOKER
HSD
HYPERPRO
ICON
ISON
Jack´s Inn 54
JAGG
JAMES GASKETS
JAMMER
JIMS
JOHN DOE
JOKER MACHINE
JT CHAINS
JT SPROCKETS
K&N
K&S TECHNOLOGIES
KB
KELLERMANN
KHROME WERKS
KIBBLEW
KILLER CUSTUM
KING KEROSIN
KLOCK WERKS
KNIPEX
KOSO
KOYO
KPMI
KRAUS
KUKKO
KURYAKYN
KUSTUM-TECH
LA CHOPPERS
LA ROSA DESIGN
LANG
LE PERA
LEGEND AIR SUSPENSION
LETHAL THREAT
LIMIT
LISLE
LOCTITE
LOWBROW CUSTOMS
LS2
LS2 FF 800
LS2 FF353
LUCKY 13
Magneti mirelli
MAGNUM
Malparidos
MANLEY
MARSHALL
Maxima Racing Oils
MCS
MEMPHIS SHADES
METZELER
MEXICAN BLANKETS
MIB
MICHELIN
MIKUNI
MITAS
MITSOU
MIW
MMB
MOOSE RACING
MORRIS MAGNETO
MOTION PRO
MOTO-MASTER
MOTOBATT
MOTOGADGET
MOTONE
MOTOR FACTORY
MOTOZ
Muc-Off
MUSTANG
MÜLLER
NACHI
NAMZ
NATIONAL CYCLE
NELSON RIGG
NGK
NITRO
NORTH COAST CHOPPER
OJ
ONEDESIGN
OPTIMATE
Org HD
PARTS EUROPE
PARTS UNLIMITED
PAUGHCO
PBI
PENZ
PERFORMANCE MACHINE
PHILIPS
PINGEL
PIRELLI
PJ1
PM
POWERMADD
PREMIER HELMETS
PRESSOL
Primo
PROFI PRODUCTS
PROGRESSIVE SUSPENSION
PUTOLINE
QUEEN KEROSIN
REGINA
REKLUSE
REVTECH
RICHA
Rick's Motorsport Electronics
RK
Rocky Creek Designs
ROEG
ROLAND SANDS
ROX SPEED FX
RSD
RUSTY PISTIONS
RYDER CLIPS
S&S
SADDLEMEN
SAFEDRIVE
SANTEE
SBS
SCHUMACHER
Scorpion
SCREWS4BIKES
SEGURA
SENA
SHINKO
SHOWA
SONIC
SONNAX
SOUNDSTREAM
SP CONNECT
SPECTRO
SPYKE
STAHLWILLE
STANCE
STANDARD USA
SUMAX
SUPERTRAPP
SW-MOTECH
SWEEP
TAYLOR
TC Bros.
TENGTOOLS
THERMOID
THORCAT
THUNDERJET
Torc Helmets
TRANSPO
Trask Performance
TRIK TOPZ
TROX HARRY
TRW
TSUBAKI
ULTIMA
UNIBAT
UNIFILTER
V Performance
V-TWIN
VANCE & HINES
VANS X CULT
VELODROM
VOELKEL
VON DUTCH
Vspec
WCC
WERA
WESTLAND CUSTUMS
WURTH
YSS
YUASA
ZAN HEADGEAR
ZIEGER
ZODIAC
Øhlins
Kampanje
Forside
Deler
Elektrisk
Startmotor
Deler Startmotor
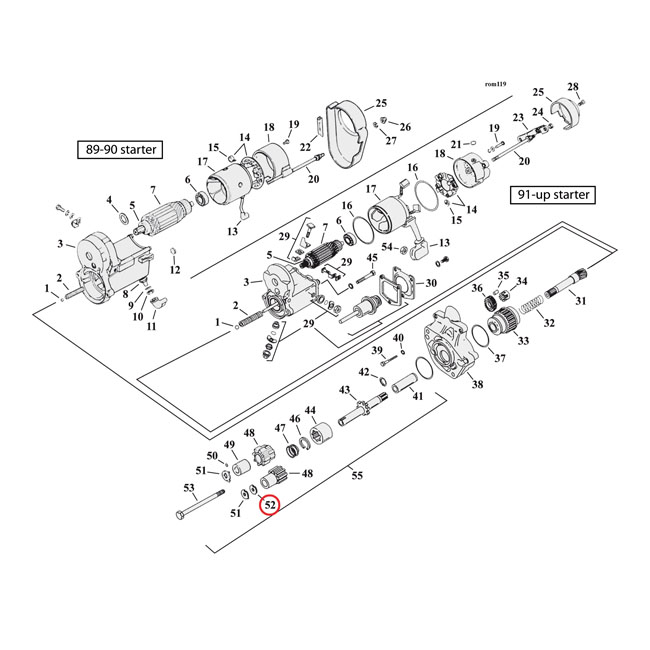
Thrust washer, starter gear bolt
- 0%
Utsolgt
Thrust washer, starter gear bolt
104,-
83,-
104,-
83,-
Lagerstatus:
På lager
Antall
Pris for mengde:
104,00 kr
Bestill
Produktdetaljer
Omtaler (
0
)
Varenummer
918238
Leverandørens varenummer
908238
Merke
MCS
Beskrivelse
Thrust washer, starter gear bolt
On starter motor.
Fits: > 94-06 Big Twin (Excl. 2006 Dyna) (NU)
Skriv en omtale
Tittel for omtalen
Sett vurdering
Skriv din produktomtale
Publiser
Ingen omtaler registrert for dette produktet
×
Kjøpsvilkår
×
Informasjon om informasjonskapsler